设为首页加入收藏
产品目录PRODUCTS
联系方式CONTACT

地址:江苏省启东市紫薇中路758号
电话:0513-83223588 83221029
传真:0513-83221029
邮箱:webmaster@ke-wei.com
首页 >> 管用专用小型设备 >> SCXQ取样冷却器
SCXQ取样冷却器

加入时间:2015-3-30 8:53:00  点击:

取样冷却器适用于温度较高的液体和气体等介质取样,具有结构紧凑、传热效率高、清洗方便、使用寿命长等优点,广泛用于石油、化工、轻工、电力等部门的、加热、换热,冷却器也可做为油泵的自封冷却器。

  


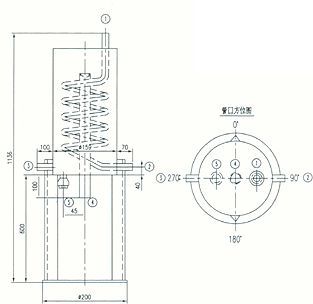
1、单一相取样冷却器SCXQ—IA

单-相取样冷却器主要性能表
管道
设计压力
3.92MPa
壳程
设计压力
常压
设计温度
350℃
设计温度
60℃
操作介质
/
操作介质
换热面积:0.084m2
单-相取样冷却器管口说明表
规格型号
(施工图图号)
操作介质
盘管材质
设备开口DN
1
2
3
4
5
SCXQ-1A-1(S5-10-1)
油 品
20
15
15
20
25
G1/2
SCXQ-1A-2(S5-10-2)
含硫油品
1Cr18Ni9Ti
15
15
20
25
G1/2
SCXQ-1A-3(S5-10-3)
油 气
20
15
8(外)
20
25
G1/2
SCXQ-1A-4(S5-10-4)
含硫油气、氢气
1Cr18Ni9Ti
15
8(外)
20
25
G1/2

 


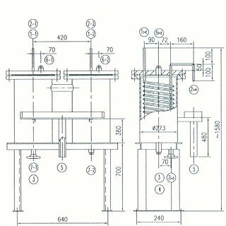
2、双联取样冷却器SCXQ-IB

 

双联取样冷却器主要性能表
管道
设计压力
0.58MPa
壳程
设计压力
0.58MPa
设计温度
172℃
设计温度
60℃
操作介质
汽、水
操作介质
换热面积:1.04m2
双联相取冷却器管口说明表
编号
名称
数量
公称直径DN
公称压力PN
备注
1
水蒸汽入口
2
10
/
 
2
水蒸汽出口
2
10
/
 
3
冷却水入口
1
40
2.0
 
4
冷却水出口
1
40
2.0
 
5
排水口
1
50
/
 
6
上排空口
2
G1/2
/
带管塞
7
下排空口
2
G1/2
/
带管塞

 


3、四联取样冷却器SCXQ-IC
四联取样冷却器主要性能表

 

管道
设计压力
4.62MPa
壳程
设计压力
0.58MPa
设计温度
275℃
设计温度
60℃
操作介质
汽、水
操作介质
换热面积:2.08m2

 


 

编号
名称
数量
公称直径DN
公称压力PN
备注
1
水蒸汽入口
4
10
/
 
2
水蒸汽入口
4
10
/
 
3
冷却水入口
1
40
2.0
 
4
冷却水出口
1
40
2.0
 
5
排水口
1
50
/
 
6
上排空口
2
G1/2
/
带管塞
7
下排空口
2
G1/2
/
带管塞

上一页:阻火器
下一页:SQ蒸汽分水器
[ 其它相关文章 ]

 

启东市科威石化机械设备制造有限公司 地址:江苏省启东市紫薇中路758号 邮编:226200
电话:0513-83223588 83221029 传真:0513-83221029
E-mail:webmaster@ke-wei.com