产品概述
SOX采样器参考UOP技术设计制造,适用干石油、化工装置中对管道内的工艺状况下各种介质,尤其是有毒、易燃、易爆等危害性的中、低压气、液介质的无泄漏采样。样品真实性强,准确性高,无残液、残气排放。有效地防止有毒、有害介质对操作者的伤害。同时不会污染环境,避免了易燃、易爆介质在采样时可能造成的危险事故。符合国家对环保和防火、防爆规范的要求。

SCX采样器已在国内石油化工工艺装置,如渣油加氢、重油催化、气体分馏等装置中采用,获得了好评。我公司生产的SCX型采样器器主要有SCXL型在线式采样器和SCXM型密闭式采样器两大类。用户可以根据不同的工艺要求选用。各采样器主体材质均为1Crl8Ni9Ti或OCrl8Ni9Ti,外观大方、华丽。
1、SCXL型在线式采样器■结构特点SCXL型在线式采样器,主要由应急阀、传动丝杆、阀体、丝杆支架、手柄、柱塞、出液管、密封组件及联接法兰组成。由于柱塞贯穿于阀体及联接法兰中,保证了每次采样时不排残液(气),也消除了凝堵的因素。
■型号、适用范围及使用方法①SCXL—IA型液体在线式采样器■适用范围:本采样器适用于各种粘度、无强腐蚀性的液体介质的采样。 使用温度:-20~200℃,工作压力:0~6.4Mpa■使用方法:(1)将贮样瓶瓶口对准采样器的出液管口:
(2)逆时针方向,慢慢旋转采样器手柄至液口流出介质为止:
(3)等样品采足后,立即顺时针方向旋转采样器手柄至丝杠全部旋入为止。
■型号及参数:

②SCXL—IB型液体在线式采样■适用范围:本采样器适用于各种粘度、无腐蚀性的液体介质的采样。也可用作易凝堵部位的排空阀、检查阀等。使用温度:-20~425℃,工作压力:0~6.4Mpa■使用方法:(1)将贮样瓶口对准采样器的出液管口。(2)逆时针方向慢慢旋转采样器的手柄至出液口流出介质为止。(3)待样品采完后,立即顺时针方向旋转采样器的手柄至丝杆全部旋入为止。■型号及参数

③SCKl—IC型液体在线式采样器■适用范围:本采样器适用于各种粘度、强腐蚀性的高温、易燃液体介质的采样。使用温度:-20~425℃,工作压力:0~6.4Mpa■使用方法:(1)先将采样器出液口处的冷却器接入冷却液;(2)将贮样瓶口对准采样器的出液管口;(3)逆时针方向慢慢旋转采样器的手柄至出液口流出介质为止;(4)待样品采完后,立即顺时针方向旋转采样器的手柄至丝杆全部旋入为止。

④SCXL—Ⅱ气体在线式采样器■适用范围:适用于无颗粒、不凝结、不结晶的各种气体介质的采样。 使用温度:-20—425℃,工作压力:0-6.4Mpa■使用方法: (1)先将贮气袋的采气接管插入采样器的采气接头中 (2)按逆时针方向慢慢旋转采样器手柄至介质进入贮气袋中,样品采足后,立即顺时针方向旋转采样器至丝杠全部旋入为止。 (3)密封后贮气袋进气管后,再将采取接头上的锁紧套往上移动,采取气接管即自动与采气接头脱开。■型号及参数:
2、SCXM型密闭采样器SCXM型密闭式采样器,主要由箱体、采样瓶、缓冲罐、快换手轮、压力表、阀门、密封件及法兰组成。■结构特点由于采样瓶与工艺管之间用带有快换手轮连接,因此,操作简单、迅速、方便。■技术参数适用范围①SCXM—IA型液体密闭式采样器■适用范围:适用于各种有毒、有害、易燃、易爆等各种液体介质的采样。■技术参数:采样温度:-20—60℃,设计压力:0~10.0Mpa,采样量:100ml

注:N1、N2、N3管口为DN15 PN1.6~10.0②SCXM—IB型液体密闭式采样器■适用范围:适用于各种有毒、有害、易燃、易爆等各种液体介质的采样。■技术参数:采样温度:-20~400℃,设计压力:0~10.0Mpa,采样量:100ml

注:N1、N2、N3管口为DN15 PN1.6~10.0
N4、N5、N6管口为DN20 PN1.6
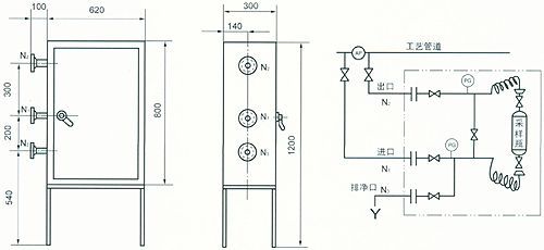
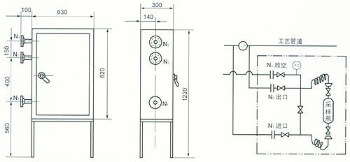
③SCXM-IIA型气体密闭式采样器■适用范围:适用于各种有毒、有害、易燃、易爆等各种气体介质的采样。■技术参数:使用温度:-20~50℃,设计压力:0~10.0Mpa,采样量:200ml~500m1
注:N1、N2、N3、N4管口为DN15 PN1.6~10.0
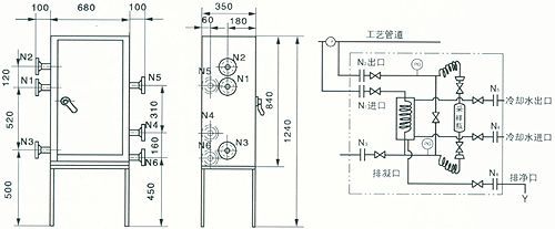
④SCXM-IIB型气体密闭式采样器■适用范围:适用于各种有毒、有害、易燃、易爆等各种气体介质的采样。■技术参数:采样温度:-20~400℃,设计压力:0~10.0MPa,采样量:200ml一500m1

注:N1、N2、N3、N4管口为DN15 PN1.6~10.0
N5、N6、N7管口为DN20 PN1.6
订货须知1、订货时请详细注明采样器型号、介质名称、压力和温度。
2、请注明连接面法兰标准。 |